
首頁 / 產品項目

1048
PP 由任 FKM
1/2"-2"

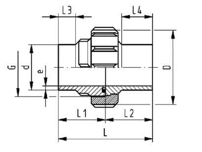
| 產品編號 | 名稱 | d(mm) | PN(bar) | L(mm) | L1(mm) | L2(mm) | L3(mm) | L4(mm) | D(mm) | e(mm) |
|---|---|---|---|---|---|---|---|---|---|---|
| 727528506 | PP 由任 FKM 1/2" | 20 | 10 | 107 | 54 | 53 | 26 | 37 | 48 | 1.9 |
| 727528507 | PP 由任 FKM 3/4" | 25 | 10 | 113 | 57 | 56 | 26 | 36 | 58 | 2.3 |
| 727528508 | PP 由任 FKM 1" | 32 | 10 | 119 | 60 | 59 | 26 | 25 | 65 | 2.9 |
| 727528509 | PP 由任 FKM 1-1/4" | 40 | 10 | 126 | 63 | 63 | 26 | 25 | 79 | 3.7 |
| 727528510 | PP 由任 FKM 1-1/2" | 50 | 10 | 131 | 65.5 | 65.5 | 26 | 25 | 91 | 4.6 |
| 727528511 | PP 由任 FKM 2" | 63 | 10 | 137 | 69 | 68 | 26 | 26 | 111 | 5.8 |
