
選單
首頁 / 產品項目



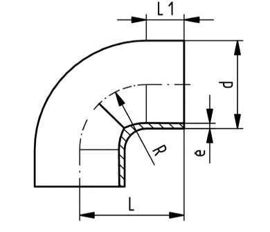
1016
1/2"-2"

| 產品編號 | 名稱 | d(mm) | PN(bar) | e(mm) | L(mm) | L1(mm) | R(mm) |
|---|---|---|---|---|---|---|---|
| 735018706 | PVDF 90度彎頭 1/2" | 20 | 16 | 1.9 | 38 | 23 | 15 |
| 735018707 | PVDF 90度彎頭 3/4" | 25 | 16 | 1.9 | 42 | 23 | 19 |
| 735018708 | PVDF 90度彎頭 1" | 32 | 16 | 2.4 | 46 | 22 | 24 |
| 735018709 | PVDF 90度彎頭 1-1/4" | 40 | 16 | 2.4 | 51 | 21 | 30 |
| 735018710 | PVDF 90度彎頭 1- 1/2" | 50 | 16 | 3 | 58 | 21 | 37 |
| 735018711 | PVDF 90度彎頭 2" | 63 | 16 | 3 | 66 | 21 | 45 |