
選單
首頁 / 產品項目



1037
1/2"-2"




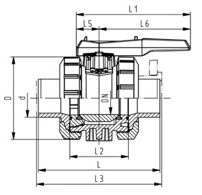
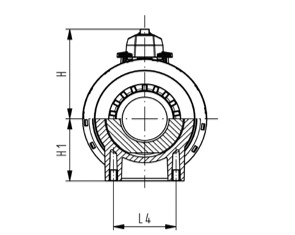
| 產品編號 | 名稱 | d(mm) | PN(bar) | D(mm) | H(mm) | H1(mm) | H2(mm) | L(mm) | L1(mm) | L2(mm) | L4(mm) | L5(mm) | L6(mm) | M |
|---|---|---|---|---|---|---|---|---|---|---|---|---|---|---|
| 167546482 | PP OF 雙由任球閥 EPDM 禁油 1/2" | 20 | 10 | 50 | 61 | 27 | 12 | 130 | 82 | 56 | 25 | 35 | 47 | M6 |
| 167546483 | PP OF 雙由任球閥 EPDM 禁油 3/4" | 25 | 10 | 58 | 74 | 30 | 12 | 143 | 105 | 65 | 25 | 44 | 62 |
| M6 |
| 167546484 | PP OF 雙由任球閥 EPDM 禁油 1" | 32 | 10 | 68 | 80 | 36 | 12 | 150 | 105 | 71 | 25 | 44 | 62 | M6 |
| 167546485 | PP OF 雙由任球閥 EPDM 禁油 1-1/4" | 40 | 10 | 84 | 95 | 44 | 15 | 171 | 131 | 85 | 45 | 57 | 74 | M8 |
| 167546486 | PP OF 雙由任球閥 EPDM 禁油 1-1/2" | 50 | 10 | 97 | 102 | 51 | 15 | 190 | 131 | 89 | 45 | 57 | 74 | M8 |
| 167546487 | PP OF 雙由任球閥 EPDM 禁油 2" | 63 | 10 | 124 | 117 | 64 | 15 | 220 | 152 | 101 | 45 | 66 | 86 | M8 |