
選單
首頁 / 產品項目



1023
1/2"-2"

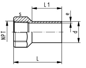
| 產品編號 | 名稱 | d(mm) | Thread Type | PN(bar) | e(mm) | L(mm) | s(mm) | L1(mm) |
|---|---|---|---|---|---|---|---|---|
| 735914586 | PVDF 內牙接頭 1/2" | 20 | NPT | 16 | 1.9 | 54 | 32 | 30 |
| 735914587 | PVDF 內牙接頭 3/4" | 25 | NPT | 16 | 1.9 | 58 | 38 | 30 |
| 735914588 | PVDF 內牙接頭 1" | 32 | NPT | 16 | 2.4 | 63 | 48 | 30 |
| 735914589 | PVDF 內牙接頭 1-1/4" | 40 | NPT | 16 | 2.4 | 67 | 58 | 30 |
| 735914590 | PVDF 內牙接頭 1-1/2" | 50 | NPT | 16 | 3 | 67 | 65 | 30 |
| 735914591 | PVDF 內牙接頭 2" | 63 | NPT | 16 | 3 | 73 | 80 | 30 |