
選單
首頁 / 產品項目



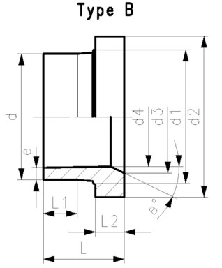
1046
1/2"-2"


| 產品編號 | 名稱 | d(mm) | PN(bar) | L(mm) | L1(mm) | L2(mm) | d1(mm) | d2(mm) | d4(mm) | e(mm) | Type |
|---|---|---|---|---|---|---|---|---|---|---|---|
| 727798706 | PP 法蘭轉接頭 1/2" DIN | 20 | 10 | 50 | 29 | 7 | 26 | 45 | 16 | 1.9 | A |
| 727798707 | PP 法蘭轉接頭 3/4" DIN | 25 | 10 | 52 | 27 | 9 | 32 | 58 | 20 | 2.3 | A |
| 727798708 | PP 法蘭轉接頭 1" DIN | 32 | 10 | 54 | 28 | 10 | 40 | 68 | 26 | 2.9 | A |
| 727798709 | PP 法蘭轉接頭 1-1/4" DIN | 40 | 10 | 56 | 25 | 11 | 49 | 78 | 32 | 3.7 | A |
| 727798710 | PP 法蘭轉接頭 1-1/2" DIN | 50 | 10 | 62 | 32 | 12 | 60 | 88 | 40 | 4.6 | A |
| 727798711 | PP 法蘭轉接頭 2" DIN | 63 | 10 | 68 | 38 | 14 | 75 | 102 | 51 | 5.8 | A |