
選單
首頁 / 產品項目



1007
1/2"-2"


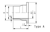
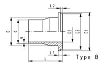
| 產品編號 | 名稱 | d(mm) | DN(mm) | PN(bar) | D(mm)2 | D1(mm) | D2(mm) | D3(mm) | e(mm) | L(mm) | L1(mm) | L2(mm) | Type |
|---|---|---|---|---|---|---|---|---|---|---|---|---|---|
| 735798831 | PVDF HP 法蘭轉接頭 1/2" DIN | 20 | 15 | 16 | 26 | 45 | 15 | 1.9 | 54 | 6 | A | ||
| 735798832 | PVDF HP 法蘭轉接頭 3/4" DIN | 25 | 20 | 16 | 32 | 58 | 20 | 54 | 1.9 | 56 | 7 | 4 | B |
| 735798833 |
| PVDF HP 法蘭轉接頭 1" DIN |
| 32 |
| 25 |
| 16 |
| 40 |
| 68 |
| 26 |
| 63 |
| 2.4 |
| 58 |
| 7 |
| 4 |
| B |
| 735798834 | PVDF HP 法蘭轉接頭 1-1/4" DIN | 40 | 32 | 16 | 49 | 78 | 34 | 73 | 2.4 | 68 | 8 | 4 | B |
| 735798835 | PVDF HP 法蘭轉接頭 1-1/2" DIN | 50 | 40 | 16 | 60 | 88 | 43 | 82 | 3 | 69 | 8 | 4 | B |
| 735798836 | PVDF HP 法蘭轉接頭 2" DIN | 63 | 50 | 16 | 75 | 102 | 56 | 3 | 72 | 9 | A |